E1 Class Pharmaceutical Weights 1mg to 200g & 23 Piece Box 500g to 2kg Box

Specification

Conformity: Recommendation OIML R111
MOC: Authentic Stainless Still (ASS 9++)
Density: 8500± 100kg/m3
Roughness: Rz(m)<0.5 – Ra(m)<0.1
Magnetic susceptibility: m1g=<0.25, 2gm10g = <0.06, m20g = <0.02
Permanent magnetization: <2.5T
Country of origin: Made in India
Transport Package: Pillet Wooden Box for export only
Payment terms: 100 Advance (T/T) or 100% confirmed irrevocable LC at sight.
Application (Use): Weights (mass) intended to ensure the traceability between the national MASS standards (with values derived from the International Prototype of the kilogram) and weights of class from E2 and lower.
Note: Class E1 weights or weight sets shall be accompanied by a “Calibration Certificate”.
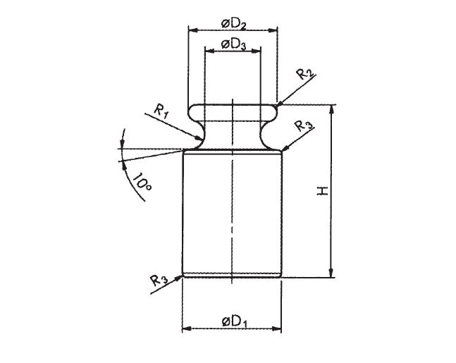
Technical Specifications: One block material without adjusting cavity.
Special Note: The modification, mistakes or typing mistakes cannot lead to any compensation.
primisses
Call Get Price What's App

Related Products

E1-Class